服务热线 全国服务热线:

0755-83040896

热门型号搜索:CB2401 CB9329  CBG9092  CB2402   CBG9326  CB5746  CB5310
您的位置: 赛矽电子 > AMCOM > AM000622LN-P1

AM000622LN-P1

型号:AM000622LN-P1
品牌:AMCOM
最小包装:
封装:
数量:

产 品 说 明
AM000622LN-P1型号AM000622LN-P1品牌AM000622LN-P1备注
AM000622LN-P1AMCOM进口原装

FEATURES 

• Frequency Range:30KHz-600MHz 

• Gain: 50dB 

• P1dB: +13.5dBm 

• IP3: +25dBm 

• Noise Figure: 2.2dB

 • DC Power: 15V/85mA 

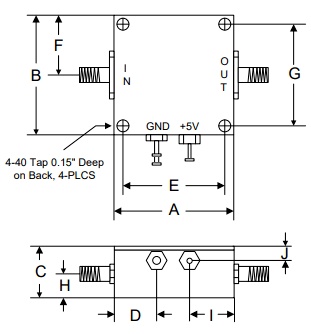
• SMA Connector 

Performance measured @ 300MHz


APPLICATIONS

.Wireless Infrastructure 

. Military & Aerospace 

. Test and Measurement

规格书zAM000622LN-P1%20Rev0



上一个:AM000610LN-P1 下一个:AM020708LN-P1
no cache
Processed in 1.190423 Second.