服务热线 全国服务热线:

0755-83040896

热门型号搜索:CB2401 CB9329  CBG9092  CB2402   CBG9326  CB5746  CB5310
您的位置: 赛矽电子 > AMCOM > AM011408LN-P1

AM011408LN-P1

型号:AM011408LN-P1
品牌:AMCOM
最小包装:
封装:
数量:

产 品 说 明


AM011408LN-P1型号
AM011408LN-P1品牌AM011408LN-P1备注
AM011408LN-P1AMCOM进口原装

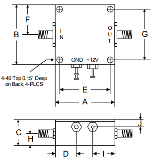
FEATURES 

• Frequency Range: 100-1400MHz

 • Gain: 20dB

 • P1dB: +17dBm 

• IP3: +35dBm 

• Noise Figure: 0.8dB 

• DC Power: 7 - 15V 

• SMA Connector 

Performance measured @ 700MHz


APPLICATIONS

. Wireless Infrastructure 

. Military & Aerospace 

.Test and Measurement

规格书zAM011408LN-P1%20Rev0



上一个:AM061306LN-P1 下一个:AM001430LN-P1
no cache
Processed in 1.067793 Second.