服务热线 全国服务热线:

0755-83040896

热门型号搜索:CB2401 CB9329  CBG9092  CB2402   CBG9326  CB5746  CB5310
您的位置: 赛矽电子 > AMCOM > AM002032LN-P1

AM002032LN-P1

型号:AM002032LN-P1
品牌:AMCOM
最小包装:
封装:
数量:1.25

产 品 说 明
AM002032LN-P1型号AM002032LN-P1品牌AM002032LN-P1备注
AM002032LN-P1AMCOM进口原装

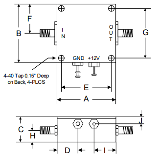
FEATURES 

• Frequency: 10KHz - 2000MHz

 • Gain: 26dB 

• P1dB: +10dBm

 • IP3: +23dBm 

• Noise Figure: 3.2dB

 • DC Power: 12V/45mA

 • SMA Connector


APPLICATIONS 

. Wireless Infrastructure 

.Military & Aerospace 

. Test and Measurement

规格书zAM002032LN-P1%20Rev0



上一个:AM162011LN-P1 下一个:AM032006LN-P1
no cache
Processed in 0.899338 Second.