服务热线 全国服务热线:

0755-83040896

热门型号搜索:CB2401 CB9329  CBG9092  CB2402   CBG9326  CB5746  CB5310
您的位置: 赛矽电子 > AMCOM > AM305020LN-P1

AM305020LN-P1

型号:AM305020LN-P1
品牌:AMCOM
最小包装:
封装:
数量:1.25

产 品 说 明
AM305020LN-P1型号AM305020LN-P1品牌AM305020LN-P1备注
AM305020LN-P1AMCOM进口原装

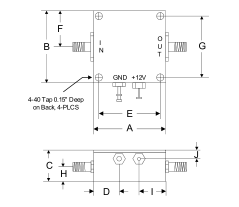
FEATURES 

• Frequency Range: 3000-5000MHz 

• Gain: 20dB

 • P1dB: +4.5dBm

 • IP3: +15dBm 

• Noise Figure: 2dB 

• DC Power: 7-24V

 • SMA Connector 


APPLICATIONS

.Wireless Infrastructure

. Military & Aerospace 

.Test and Measurement

规格书zAM305020LN-P1%20Rev0



上一个:AM004020LN-P1 下一个:AM456011LN-P1
no cache
Processed in 5.182383 Second.